Перейти к содержанию
Defreeze motorsport
Инструменты пользователя
Войти
Инструменты сайта
Найти
Инструменты
История страницы
Ссылки сюда
Недавние изменения
Управление медиафайлами
Все страницы
Войти
>
Недавние изменения
Управление медиафайлами
Все страницы
Боковая панель
Продукты
Панели приборов
PNP Блоки управления двигателем
Обманки
Документация
Загрузки
Контакты
e-mail
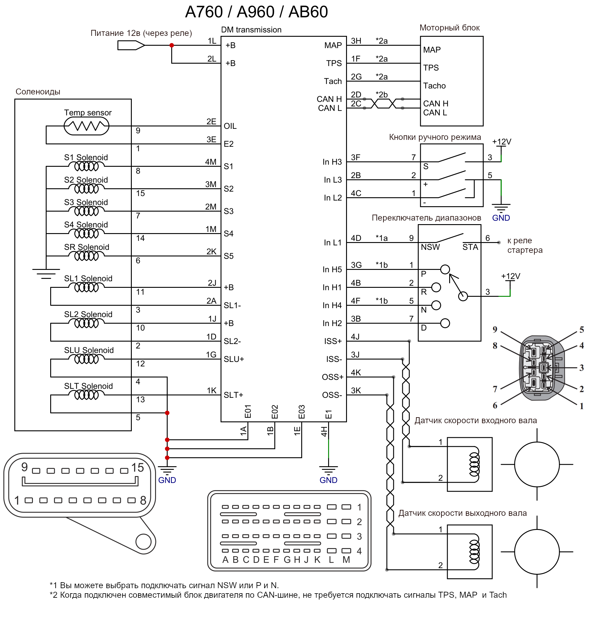
dmtransmission:a760
Назад
dmtransmission/a760.txt
· Последнее изменение: 04.11.2024 05:09 —
Alexander
Инструменты страницы
История страницы
Ссылки сюда
Наверх